LW38-126型户外自能式高压六氟化硫断路器:
1.LW38-126型户外自能式高压六氟化硫断路器(配SRCT36-C弹簧机构),它详细描述了断路器的安装使用和维护的有关内容,以及在此过程中需要注意的安全规范和可能出现的危险。任何操作人员在安装和使用断路器前需仔细阅读本说明书,在确保熟悉相关内容后方可操作。如果仍有疑问或需要更详细的资料,请与制造商联系。
2.LW36-126型户外自能式高压六氟化硫断路器适用于交流50Hz、126kV的电力系统中,是电力系统的控制和保护设备,也可以作为联络断路器使用。
3.断路器符合GB1984-2003《高压交流断路器》和IEC62271-100-2001《高压交流断路器》及QJ/RG.30.03.54-1999《LW36-126自能式断路器技术条件》的要求。断路器以SF6气体为绝缘和灭弧介质,采用自能式灭弧原理,配用新型弹簧操动机构,具有开断能力强,操作功小,可靠性高的特点。
4.使用环境条件正常使用环境条件符合GB/T11022-1999《高压开关设备和控制设备标准的共用技术要求》的规定,即:
- 周围环境温度 -40oC ~+40oC;
- 海拔高度 不超过3000m;
- 风速 不大于34m/s;
- 日温差 不大于25oC;
- 日照强度 不大于0.1w/cm;
- 月平均相对湿度 不大于90%;
- 地震加速度 水平不大于0.2g,垂直不大于0.1g;
- 覆冰厚度 不大于10mm;
- 空气污秽程度 不超过GB5582中的Ⅳ级;
- 安装场合 户外。
如果用户有特殊使用环境条件要求,可与制造商另行协商。
5.本手册在叙述过程中分“注意”和“警告”两类提示,对于“注意”的有关内容,若不执行有可能造成不便或轻微伤害,对于“警告”的内容,若不执行有可能造成人身伤害或设备损坏,此两类提示均以黑体字示出。
6.产品结构特点
断路器采用三相瓷瓶支柱式结构,为户外设计,三相配用一个SRCT36-C弹簧操动机构,居中布置,三相连动,故外观新颖精致。断路器以SF6气体作为绝缘和灭弧介质,运行时断路器三极SF6气体应连通,并采用指针式密度继电器对其压力和密度进行监控。由于采用自能式灭弧原理,且在断路器运动系统中进行了优化设计,故有效的提高了机械效率,最大限度的降低了操作功。
7.主要技术参数
7.1断路器主要技术参数见表1。
表 1
|
序号 |
项目 |
单位 |
参数 |
参数 |
|
|
LW38-126W/ T3150-40 |
LW38-126W/ T3150-31.5(H) |
||||
|
1 |
适用环境 |
|
正常 |
高寒地区适用型 |
|
|
2 |
额定电压 |
kV |
126 |
||
|
3 |
额定工频耐受电压(1min) |
对地 |
K·230 |
||
|
断口间 |
K·(230+73) |
||||
|
4 |
额定雷电冲击耐受电压 |
对地 |
K·550 |
||
|
断口间 |
K·(550+103) |
||||
|
5 |
SF6气体零表压时的工频耐受电压(5min) |
K·95 |
|||
|
6 |
额定频率 |
Hz |
50 |
||
|
7 |
额定电流 |
A |
3150 |
||
|
8 |
首开级系数 |
|
1.5 |
||
|
9 |
额定短路开断电流IK |
kA |
40 |
31.5 |
|
|
10 |
额定短路关合电流(峰值) |
100 |
80 |
||
|
11 |
额定短路耐受电流 |
40 |
31.5 |
||
|
12 |
额定峰值耐受电流 |
100 |
80 |
||
|
13 |
额定短路持续时间 |
s |
4 |
||
|
14 |
额定失步开断电流 |
kA |
10 |
8 |
|
|
15 |
近区故障开断电流 |
kA |
90%Ik ,75%Ik |
||
|
16 |
额定线路充电开合电流 |
A |
31.5 |
||
|
17 |
额定操作顺序 |
|
O-0.3s-CO-180s-CO |
||
|
18 |
主回路电阻 |
μΩ |
≤35 |
||
|
19 |
额定六氟化硫气体压力(20oC表压) |
MPa |
0.6 |
0.45 |
|
|
20 |
报警/最低功能压力(20oC表压)* |
0.55±0.015/0.50±0.015 |
0.40±0.015/0.34±0.015 |
||
|
21 |
SF6气体年漏气率 |
|
≤0.5% |
||
|
22 |
SF6气体水分含量(V/V) |
ppm |
≤150 |
||
|
23 |
机械寿命 |
次 |
6000或10000 |
||
|
24 |
无线电干扰电平 |
μV |
≤500 |
||
|
25 |
爬电距离 |
断口间 |
mm |
3906/3150 |
|
|
对地 |
3906/3150 |
||||
|
26 |
每台充入SF6气体质量 |
kg |
8 |
||
|
27 |
每台断路器质量 |
1700 |
|||
注:K-——海拔修正系数,海拔2000m时K=1.13;海拔3000 m时K=1.28;
*——如采用进口双金属弹簧片补偿的密度继电器,精度均为±0.025。
7.2 机构主要技术参数见表2。
表2
|
序号 |
项目 |
单位 |
参数 |
|
|
1 |
辅助回路电压 |
V |
DC220或AC220 |
|
|
2 |
分闸线圈电压/电流 |
V/A |
DC110/4; DC220/2; AC220/5 |
|
|
3 |
合闸线圈电压/电流 |
V/A |
DC110/2.6; DC220/1.3; AC220/5 |
|
|
4 |
储能电机 |
额定电压 |
V |
DC220或AC220 |
|
正常工作电压范围 |
V |
85%~110% |
||
|
功率 |
W |
720 |
||
|
5 |
电动机储能时间 |
S |
≤20 |
|
|
6 |
加热器及照明回路电压 |
V |
AC220 |
|
|
7 |
辅助开关额定电压 |
V |
DC220 |
|
|
8 |
辅助开关额定电流 |
A |
10 |
|
|
9 |
辅助开关接点数 |
|
11???11常闭 |
|
7.3 产品的机械调整参数见表3。
表3
|
序号 |
项目 |
单位 |
参数 |
|
1 |
断路器极间中心距 |
mm |
1700 |
|
2 |
动触头行程 |
mm |
120 +3 0 |
|
3 |
动触头接触行程 |
mm |
25 +3 0 |
|
4 |
断路器相间操作连杆行程(弦长) |
mm |
110 +3 0 |
|
5 |
分闸速度 |
m/s |
5.0±0.5 |
|
6 |
合闸速度 |
m/s |
3.0±0.5 |
|
7 |
分闸时间 |
ms |
≤38 |
|
8 |
合闸时间 |
ms |
70±8 |
|
9 |
开断时间 |
ms |
≤60 |
|
10 |
合-分时间 |
ms |
35~50 |
|
11 |
分-合时间 |
ms |
300 |
|
12 |
三相分闸不同期性(时差) |
ms |
≤2 |
|
13 |
三相合闸不同期性(时差) |
ms |
≤3 |
7.4断路器的整体结构特点
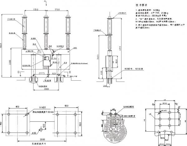
该型断路器的整体结构如图1所示,三个极柱安装在共同的基座上。控制柜居中吊装在基座下面,柜内装有弹簧操动机构和控制单元,机构的输出杆与中相的拐臂相连。并通过操作连杆与A相、C相断路器的拐臂箱连接进行分、合闸操作。三相SF6气体连通,并采用SF6气体密度继电器对断路器内的SF6气体密度进行监控(密度继电器在产品允许工作范围内,无需拆卸,均可现场校验。如确需拆下校验,需注意密度继电器接头端密封圈需装配正确,防止漏气)。
7.5基座
基座(图1所示序2)起支撑三瓷柱并连接控制柜的作用,是由厚钢板整体弯制而成,再盖上相应的盖板后,能满足GB/T11022-1999《高压开关设备和控制设备标准的共用技术要求》的IP2X防护等级?;嬗蟹帧⒑现甘九?,基座内有三相SF6气体充气管路和指针式密度继电器,背面有密度继电器观察孔可观察到SF6气体的压力值。在未接极柱充气阀时,充气管内的气体处于密封状态,压力表显示的数值为管路内的压力。另外基座内还装有多通体及LF-1截止阀,通过多通体可对本体内充气及放气,同时截止阀可将密度继电器内气体与本体内的气体隔离,便于密度继电器的校验及检修。
附件Ⅱ:LW38-126断路器外形及安装基础图 (不锈钢外壳)
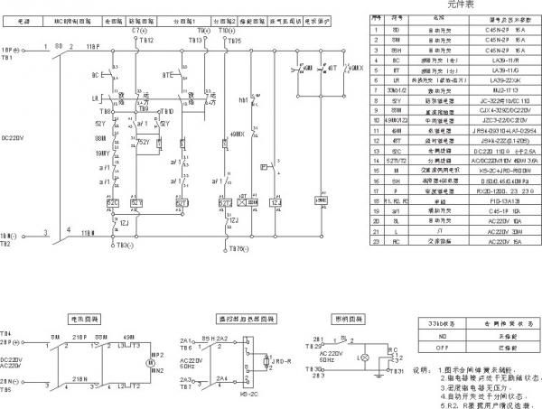
附件Ⅲ: LW38-126断路器电气控制原理图
推荐资讯 / Recommended News
- 2022-08-24 持久浅谈真空断路器的理伦
- 2022-08-24 持久浅淡真空断路器
- 2022-08-24 智能真空断路器的技术问题解答
- 2022-08-24 ZW32真空断路器核心作用
- 2022-08-24 真空断路器比较难处理的问题
- 2022-08-24 高压真空断路器的维护安装
- 2022-07-23 真空断路器寿命是哪些因素影响的
- 2022-07-23 真空断路器跳闸次数多有没有影响
- 2022-07-23 真空断路器试验过程中的事项
- 2022-07-23 真空断路器原则和功能的研究范围
乐清市持久电气有限公司
收藏本站
联系持久







