一、概述
SF6气体具有优越的绝缘与灭弧性能,SF6电器是目前性能最好的电器,在国内外、SF6已成为公认的发展方向。
LW3-10 Ⅰ ⅡⅢ型户外高压六氟化硫断路器(以下简称“ⅠⅡⅢ型断路器”)是以六氟化硫气体作为灭弧和绝缘介质的新型户外高压电器。其灭弧室采用 自能旋弧灭弧原理,操动机构分(Ⅰ型)手动储能操动机构。 (Ⅱ型)储能弹簧操动机构,(Ⅲ型)直流电磁操动机构叁种,各种操动机构均与断路器本体完善 地组合成一个整体。
二、使用环境条件
环境温度:上限+40度,下限-40度
海拔高度不超过1000m
风压不超过700Pa(风速不大于35m/s)
地震烈度不超过8度
没有火灾、爆炸危险、严重污秽、化学腐蚀及剧烈振动的场所。
三、特点
三级共箱式,结构简单,布置紧凑;动力输出为转动式,密封效果好。本体内运动质量小减轻了操作功,提高了机械寿命。旋转电弧技术的应用,提高了灭弧效 率和电寿命。本体结构的独立性,可派生出具有不同性能和安装方式的产品。与真空和油断路器相比,在结构、重量、安全性、耐电强度、电寿命、维护和造价等方 面有显著的优越性。可根据用户需求进行特殊布置及配置不同变比的?;ぃ饬坑没ジ衅?/span>。
四、主要技术参数
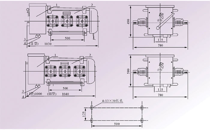
五、外形及安装尺寸
六、户外安装方式示意图
推荐资讯 / Recommended News
- 2022-08-24 持久浅谈真空断路器的理伦
- 2022-08-24 持久浅淡真空断路器
- 2022-08-24 智能真空断路器的技术问题解答
- 2022-08-24 ZW32真空断路器核心作用
- 2022-08-24 真空断路器比较难处理的问题
- 2022-08-24 高压真空断路器的维护安装
- 2022-07-23 真空断路器寿命是哪些因素影响的
- 2022-07-23 真空断路器跳闸次数多有没有影响
- 2022-07-23 真空断路器试验过程中的事项
- 2022-07-23 真空断路器原则和功能的研究范围
乐清市持久电气有限公司
收藏本站
联系持久







