一、概述
跌落式熔断器及拉负荷跌落式熔断器是户外高压?;さ缙?。它装置在配电变压器高压侧或配电线支干线路上、用作变压器和线路的短路、过载保护及分、合负荷电流。跌落式熔断器由绝缘支架和熔丝管二部分组成,静触头安装在绝缘支架两端,动触头安装在熔丝管两端,熔丝管由内层的消弧管和外层的酚醛纸管或环氧玻璃布管组成。拉负荷跌落式熔断器增强弹性辅助触头及灭弧罩,用以分,合负荷电流。
跌落式熔断器在正常运行时,熔丝管借助熔丝张紧后形成闭合位置。当系统发生故障时,故障电流时熔丝迅速熔断,并形成电弧,消弧管受电弧灼热,分解出大量的气体,使馆内形成很高压力,并沿管道形成纵吹,电弧被迅速拉长而熄灭。熔丝熔断后,下部动触头失去张力二下翻,锁紧机械,释放熔丝管,熔丝管跌落,形成明显的开断位置。当需要拉负荷时,用绝缘杆拉开动触头,此时主动、静动触头仍然接触,继续用绝缘杆拉动触头,辅助触头也分离,在辅助触头之间产生电弧,电弧在灭罩狭缝中被拉长,同时灭弧罩产生气体,在电流过零时,将电弧熄灭。
二、用途
户外高压熔断器适用于35kv及以下电压频率50Hz电力系统中,作输电线路、电力变压器过载和短路?;ぃ趾隙疃ǜ汉傻缌髦挥?,机械寿命≥2000次。
三、使用条件
1.适用于环境温度上限40℃,下限-30℃之内。
2.海拔不超过1000m,风速不大于35m/s
3.熔断器不适用于下述场所
3.1有燃料或爆|炸危险的场所。
3.2有剧烈震动或冲击的场所。
3.3有异电化学气体作用及严重空气污秽,烟雾地区。
四、结构简介
熔断器是由基座和消弧装置两大部分组成,灭弧管下端装有可能转动的弹簧支架,始终使熔丝处于紧张状态,以保证灭弧管在合闸位置的自锁,线路与变压器过载或短路中,熔丝熔断,熔丝迅速从灭弧管中抽出,灭弧管设计为逐级排气式解决在同一熔断器上开断大小电流的矛盾。
五、型号说明

六、主要技术参数

型号
额定电压kv
额定电流A
断流容量MVA
工频干耐受电压kvrms 1 min
工频湿耐受电压kvrms 1 min
上限
下限
HRW3-10/100
10
100
100
10
42
34
HRW3-10/200
10
200
200
20
42
34
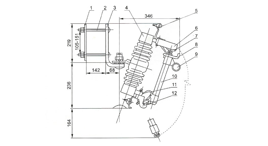
七、安装尺寸

编号No.
部件名称
编号No.
部件名称
1
背板
7
上触头
2
长螺杆
8
附属钩
3
安装支架
9
操作环
4
瓷件(或陶瓷绝缘子)
10
熔丝管
5
接线座
11
套环接头
6
上支座
12
下支座
推荐资讯 / Recommended News
- 2022-08-24 持久浅谈真空断路器的理伦
- 2022-08-24 持久浅淡真空断路器
- 2022-08-24 智能真空断路器的技术问题解答
- 2022-08-24 ZW32真空断路器核心作用
- 2022-08-24 真空断路器比较难处理的问题
- 2022-08-24 高压真空断路器的维护安装
- 2022-07-23 真空断路器寿命是哪些因素影响的
- 2022-07-23 真空断路器跳闸次数多有没有影响
- 2022-07-23 真空断路器试验过程中的事项
- 2022-07-23 真空断路器原则和功能的研究范围
乐清市持久电气有限公司
收藏本站
联系持久







