一、概述
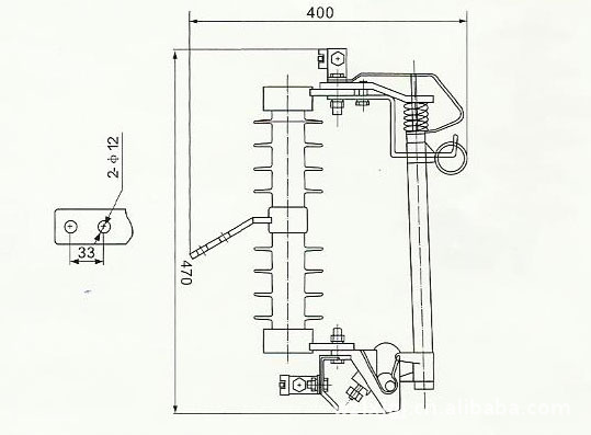
跌落式熔断器及拉负荷跌落式熔断器是户外高压?;て?。它装置在配电变压器高压侧或配电线支干线路上,用作变压器和线路的短路、过载?;ぜ胺?、合负荷电流。跌落式熔断器由绝缘支架和熔丝管二部分组成,静触头安装在绝缘支架两端,动触头安装在熔丝管两端。熔丝管由里层的消弧管和外层的环氧玻璃管组成。拉负荷跌落式熔断器增加弹性辅助触头及灭弧罩,用以分、合负荷电流。
跌落式熔断器在正常运行时,熔断管借助熔丝张紧后形成闭合位置。当系统发生故障时,故障电流使熔丝迅速熔断,并形成电弧,消弧管受电弧灼热,分解出大量气体,使管内形成很高的压力,并沿管道形成纵吹,电弧被迅速拉长而熄灭。熔丝熔断后,下部分动触头失去拉力而下翻,锁紧机构释放熔丝管,迷乱丝管跌落,形成明显的开断位置。当需要拉负荷时,用绝缘杆拉开动触头,此时主动、静助触头仍然接触,继续用绝缘杆拉动触头,辅助触头也分离,在辅助触头之间产生电弧,电弧在灭弧罩狭缝中被拉长,同时灭弧罩产生气体,在电流过零时,将电弧熄灭。
二、熔断器正常运行条件
1:环境温度:-40℃~+40℃;
2:相对湿度:日平均值不大于95%,月平均值不大于90%;
3:安装地点:海拔不超过1000m(高海拔不超过3000m);
4:风速:不超过35m/s;
5:覆冰厚度:不大于200mm;
6:安装地点:应无火灾、爆炸危险、化学腐蚀及剧烈震动;
7:地震强度:不超过8级;
8:不适用于有燃烧或者爆炸危险的场所、有剧烈震动或冲击的场所、有导电、化学气体作用及严重污秽、盐雾地区。
三、结构简介
熔断器是由基座和消弧装置两大部分组成,灭弧管下端装有可能转动的弹簧支架,始终使熔丝处于紧张状态,以保证灭弧管在合闸位置的自锁,线路与变压器过载或短路中,熔丝熔断,熔丝迅速从灭弧管中抽出,灭弧管设计为逐级排气式解决在同一熔断器上开断大小电流的矛盾。
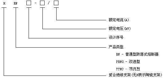
四、型号说明
五、主要技术参数
型号
额定电压kv
额定电流A
开断电流kA
冲击电压BIL
工频耐压kv
PR12W-10/100
12
100
6.3
110
42
PR12W-10/200
12
200
12.5
110
42
推荐资讯 / Recommended News
- 2022-08-24 持久浅谈真空断路器的理伦
- 2022-08-24 持久浅淡真空断路器
- 2022-08-24 智能真空断路器的技术问题解答
- 2022-08-24 ZW32真空断路器核心作用
- 2022-08-24 真空断路器比较难处理的问题
- 2022-08-24 高压真空断路器的维护安装
- 2022-07-23 真空断路器寿命是哪些因素影响的
- 2022-07-23 真空断路器跳闸次数多有没有影响
- 2022-07-23 真空断路器试验过程中的事项
- 2022-07-23 真空断路器原则和功能的研究范围
乐清市持久电气有限公司
收藏本站
联系持久







