概述:
HGW9-12KV老型隔离开关是我公司吸收国外先进技术开发的一种高性能隔离开关,具有接触可靠、通流能力大、有一定防弧能力等优点。用于额定电压为10kV的电力系统中,作为有电压的情况下接通和隔离电源之用,本隔离开关带负荷情况下一定要用专用手持式负荷开断装置来操作,以免引起人员伤亡和设备损坏。
结构特征:
隔离开关由底座,支柱绝缘子,导电部分,保险钩等部分组成,采用闸刀式结构分合闸达到电切断和闭合线路.每相闸刀由两片导电刀片组成,刀片两侧外装有压缩弹簧,调节弹簧的高度可以得到开关所需要的接触压力.开关分合闸时用绝缘钩棒操作,便可进行分合闸运动.闸刀有自锁装置.
技术参数:
|
绝缘子材质 |
环氧树脂 |
陶瓷 |
硅橡胶 |
|
|
额定电压(kv) |
10 |
|||
|
额定电流(A) |
200、400、630、1000、1250 |
|||
|
额定频率(Hz) |
50Hz/60z |
|||
|
额定雷电冲击耐受电压(kv) |
对地 |
85 |
||
|
断口 |
95 |
|||
|
额定工频耐受电压(kv) |
对地 |
38 |
||
|
断口 |
45 |
|||
|
隔离断口距离 |
300mm |
|||
|
额定短时耐受电流及持续时间(KA/S) |
25KA、20KA、16KA/4S |
|||
|
额定峰值耐受电流 |
40KA |
|||
|
机械寿命 |
2000次(times) |
|||
|
绝缘子爬电距离 |
410mm |
410mm |
520mm |
|
|
型号 |
额定电压 (KV) |
额定电压 (A) |
4S热稳定电流(有效值)A |
动稳定电流(峰值) A |
全波冲击耐压 |
工频耐压 |
||
|
相对地(KV) |
段口间 |
相对地(KV) |
段口间 (KV) |
|||||
|
(H)GW9-15W/200 |
15 |
200 |
12500 |
31500 |
75 |
85 |
38 |
42 |
|
(H)GW9-15W/400 |
15 |
400 |
12500 |
31500 |
75 |
85 |
38 |
42 |
|
(H)GW9-15W/630 |
15 |
630 |
12500 |
31500 |
75 |
85 |
38 |
42 |
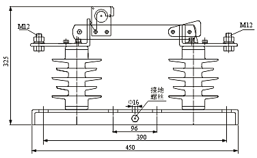
安装尺寸图:
推荐资讯 / Recommended News
- 2022-08-24 持久浅谈真空断路器的理伦
- 2022-08-24 持久浅淡真空断路器
- 2022-08-24 智能真空断路器的技术问题解答
- 2022-08-24 ZW32真空断路器核心作用
- 2022-08-24 真空断路器比较难处理的问题
- 2022-08-24 高压真空断路器的维护安装
- 2022-07-23 真空断路器寿命是哪些因素影响的
- 2022-07-23 真空断路器跳闸次数多有没有影响
- 2022-07-23 真空断路器试验过程中的事项
- 2022-07-23 真空断路器原则和功能的研究范围
乐清市持久电气有限公司
收藏本站
联系持久







