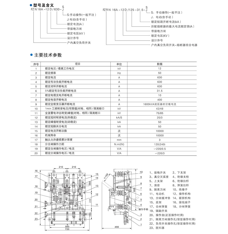
概述
FZN16A- 12D/630型户内交流高压真空负荷开关及FZN16A- 12RD/200- 31.5型负荷开关-熔断器组合电器性能达到GB3804-90<3~63kV交流高压负荷开关>和IEC420<交流高压负荷开关-熔断器组合电器>(1990年版)国际标准及国家标准(报批稿)的要求。具有体积小、外形美观、安装灵活、操作力小、开断安全可靠、电寿命长、可频繁每操作、开断转移电流大、基本不需要维护,有明显的隔离断口且具有手、电动二用功能,可实现远距离控制等优点。负荷开关-熔断器组合电器还具有?;け溲蛊鞴兀乐股璞溉毕嘣诵械墓δ?。
FZN16A- 12D/630型负荷开关和FZN16A- 12RD/200- 31.5型组合电器适用于交流50Hz,额定电压6~ 10kV的网络中。FZN16A- 12D/630可开断负荷电流,FZN16A- 12RD/200-31.5可开断负荷电流、过载电流和短路电流,特别适用于无油化、不检修及频繁操作要求的场所。本产品可配用CS6 - 1型操作机构,也可在开关上直接操作,不必另附操作机构。选用FZN16A- 12 -J型开关可同时实现电动和手动操作。

推荐资讯 / Recommended News
- 2022-08-24 持久浅谈真空断路器的理伦
- 2022-08-24 持久浅淡真空断路器
- 2022-08-24 智能真空断路器的技术问题解答
- 2022-08-24 ZW32真空断路器核心作用
- 2022-08-24 真空断路器比较难处理的问题
- 2022-08-24 高压真空断路器的维护安装
- 2022-07-23 真空断路器寿命是哪些因素影响的
- 2022-07-23 真空断路器跳闸次数多有没有影响
- 2022-07-23 真空断路器试验过程中的事项
- 2022-07-23 真空断路器原则和功能的研究范围
乐清市持久电气有限公司
收藏本站
联系持久







