ZN12-40.5/630-20高压真空断路器
ZN12-40.5/630-25高压真空断路器
ZN12-40.5/630-31.5高压真空断路器
ZN12-40.5/1250-20 高压真空断路器
ZN12-40.5/1250-25 高压真空断路器
ZN12-40.5/1250-31.5高压真空断路器
ZN12-40.5/1600-25高压真空断路器
ZN12-40.5/1600-31.5高压真空断路器
ZN12-40.5/1600-40高压真空断路器
ZN12-40.5/2000-31.5 高压真空断路器
ZN12-40.5/2000-40高压真空断路器
ZN12-40.5/2500-40 高压真空断路器
ZN12-40.5/3150-40高压真空断路器
ZN12-40.5/4000-40高压真空断路器
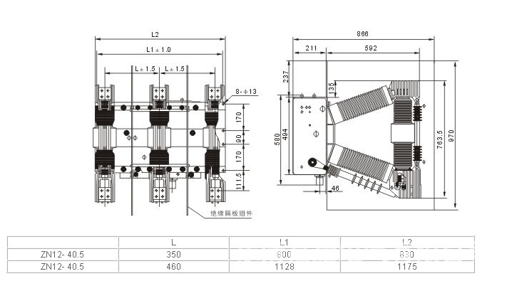
ZN12-40.5/1250-31.5型高压真空断路器是三相交流50Hz,额定电压为40.5kV的户内装置。本断路器的机构与灭弧室系统设计成一体,专用的西门子公司3AF型弹簧操动机构,采用两用电动机进行交直流储能操作,也可用于手动操作。本产品设计有:350mm,400mm,460mm 等多种相间距离,用户与不同型号的开关柜配合使用更加方便??稍诠潭ü?/span>XGN17-40.5中使用,也可在JYN1-40.5 、KYN12-40.5柜中使用。
主要技术参数序号参数项目单位技术参数
1额定电压kV12
2额定短路开断电流kA31.54050
3额定电流A1250 1600 2000 25001600 2000 31502000 3150
4额定峰值耐受电流kA80100125
5额定短时(4S)耐受电流kA31.54050
6额定短路关合电流(峰值)kA80100125
7额定短路电流开断次数次502012
8额定操作顺序分-0.3S-合分-180S合分分-180S-合分-180S合分
9额定雷电冲击耐受电压(全波)kV75
10额定短时工频耐受电压(1分钟)kV42
11合闸时间mS≤7512分闸时间mS≤60
13机械寿命次10000/6000(50kA)
14额定电流开断次数次10000/6000(50kA)
15储能电动机功率W275
16储能电动机额定电压V110 220
17储能时间S≤15
18合闸电磁铁额定电压V110 220
19分闸电磁铁额定电压V110 220
20储能式脱扣器额定电压V110 220
21合闸联锁器定电压V110 220
22失压脱扣器额定电压V110 220
23过流脱扣器额定电流A5, 3.5, 1
24辅助开关额定电流AAC10 DC5
25额定单个电容器组开断电流A630
26额定背对背电容器组开断电流A400
机械特性调整参数序号参数项目单位技术参数
1触头开距mm11±111±111±1
2触头超行程mm8±28±25±1
3合闸速度m/S0.6~1.10.8~1.30.8~1.3
4分闸速度m/S1.0~1.41.0~1.81.0~1.8
5触头合闸弹跳时间mS≤2
6相间中心距离mm210 ±1.5230±1.5280±1.5
7三相触头合分闸同期性mS≤2
8每相回路电阻 Ω≤30(40)注:合闸速度指触头最后6mm时的平均速度.
分闸速度指触头刚入6mm时的平均速度
采用小型化灭弧室,每相回路电阻≤40 Ω
ZN12-40.5/1250-31.5
真空断路器为额定电压12kV,三相交流50Hz的户内高压开关设备,适用于发电厂,变电站及输配电系统作为控制与保护设备。特别是开断重要负荷及一些需要频繁操作的场合。
主要特点:
1. 机构简单,开断能力强,寿命长,操作功能齐全,无爆炸危险,
2. 适用范围广,可满足全工况条件的要求,
3. 爬电比距大于20mm/kV,电气间隙大于138mm,
4. 试验参数提高,开断电流31.5kA的断路器,其额定短路关合电流和额定峰值耐受电流达100kA,开断电流40kA的断路器,其额定短路关合电流和额定峰值耐受电流达130kA,另外其非对称开断的直流分量为45%
5. 通过燃弧试验和凝露污秽试验。
ZN12-40.5/1250-31.5主要技术参数
序号
参 数 名 称
单位
ZN12-10Ⅰ
ZN12-10Ⅱ
ZN12-10Ⅲ
ZN12-10Ⅳ
ZN12-10Ⅴ
1
额定电压
kV
10
2
最高工作电压
kV
12
3
额定雷电冲击耐压
kV
75
4
1min工频耐压
kV
42
5
额定电流
A
630
1250
2000
1250
2000
2500
2500
3150
4000
6
额定频率
HZ
50(60)
7
额定短路开断电流
kA
16
25
31.5
40
50
8
额定短路关合电流(峰值)
kA
40
63
80(100)
100(130)
125
9
额定短时耐受电流
kA
16
25
31.5
40
50
10
额定峰值耐受电流
kA
40
63
80(100)
100(130)
125
11
额定短路开断电流开断次数
次
50
20
12
额定失步开断电流
kA
12.5
13
额定操作顺序
分-0.3s-合分–180s-合分
分-180s-合分–180s-合分
14
额定电流开断次数
次
10000
15
机械耐久
次
10000
16
额定电容器组开断电流
A
630
17
额定短路持续时间
s
4
18
触头合闸弹跳时间
ms
≤2
≤3
19
合闸时间
ms
≤85
20~85
20
分闸时间
ms
≤60
25~60
21
开断时间
ms
≤80
22
触头累计磨损厚度
mm
3
23
储能电机功率
W
350
储能电机电压
V
AC110;AC220;DC110;DC220
25
额定电压储能时间
s
≤15
26
合闸电磁铁额定电压
V
AC110;AC220;DC110;DC220
27
分闸电磁铁额定电压
V
AC110;AC220;DC110;DC220
28
储能式脱扣器额定电压
V
AC110;AC220;DC110;DC220
29
欠压脱扣器额定电压
V
AC110;AC220;DC110;DC220
30
过流脱扣器额定电流
A
2.5
31
辅助开关额定电流
A
AC10、DC5
32
重量
kg
120
120
124
130
308
33
外形尺寸(长×宽×高)
mm
640×700×620
678×764×747
注:括号内数值为超标准达到的数值。




推荐资讯 / Recommended News
- 2022-08-24 持久浅谈真空断路器的理伦
- 2022-08-24 持久浅淡真空断路器
- 2022-08-24 智能真空断路器的技术问题解答
- 2022-08-24 ZW32真空断路器核心作用
- 2022-08-24 真空断路器比较难处理的问题
- 2022-08-24 高压真空断路器的维护安装
- 2022-07-23 真空断路器寿命是哪些因素影响的
- 2022-07-23 真空断路器跳闸次数多有没有影响
- 2022-07-23 真空断路器试验过程中的事项
- 2022-07-23 真空断路器原则和功能的研究范围
乐清市持久电气有限公司
收藏本站
联系持久







