一、概述:
ZW6-12型户外高压真空断路器(以下简称断路器),是三相交流50Hz、12kV的户外高压配电设备,用于开断、关合电力系统中的负荷电流、过载电流和短路电流,更适用于频繁操作的场所。断路器配用CT23弹簧操动机构,可实现电动储能、电动分合闸,也可手动储能和手动分合闸。根据用户需要,断路器可内装100/5、200/5、400/5及600/5的电流互感器。内置JSZR-10W干式电压互感器,加装一次熔断器?;?,实现自备操作电源,也为配备各种重合器或远动终端提供操作电源。配套合适的控制系统,可作为重合器或分段器,是城乡电网无油化改造的首选产品。
二、功能特点:
断路器本体内置电源变压器,能可靠的为操作、计量系统供电。
断路器本体A相、C相内置?;さ缌骰ジ衅?,变比范围100/5~600/5,精度3级。
断路器本体A相、C相内置计量电流互感器,变比范围100/5~600/5,精度0.2或0.5S级。
断路器操作机构预留有电气接口,可与开关智能控制器配套,实现过流三段式?;?、重合闸等功能,并具有通讯接口,可外接无线通信设备,实现远方遥信、??氐裙δ?。
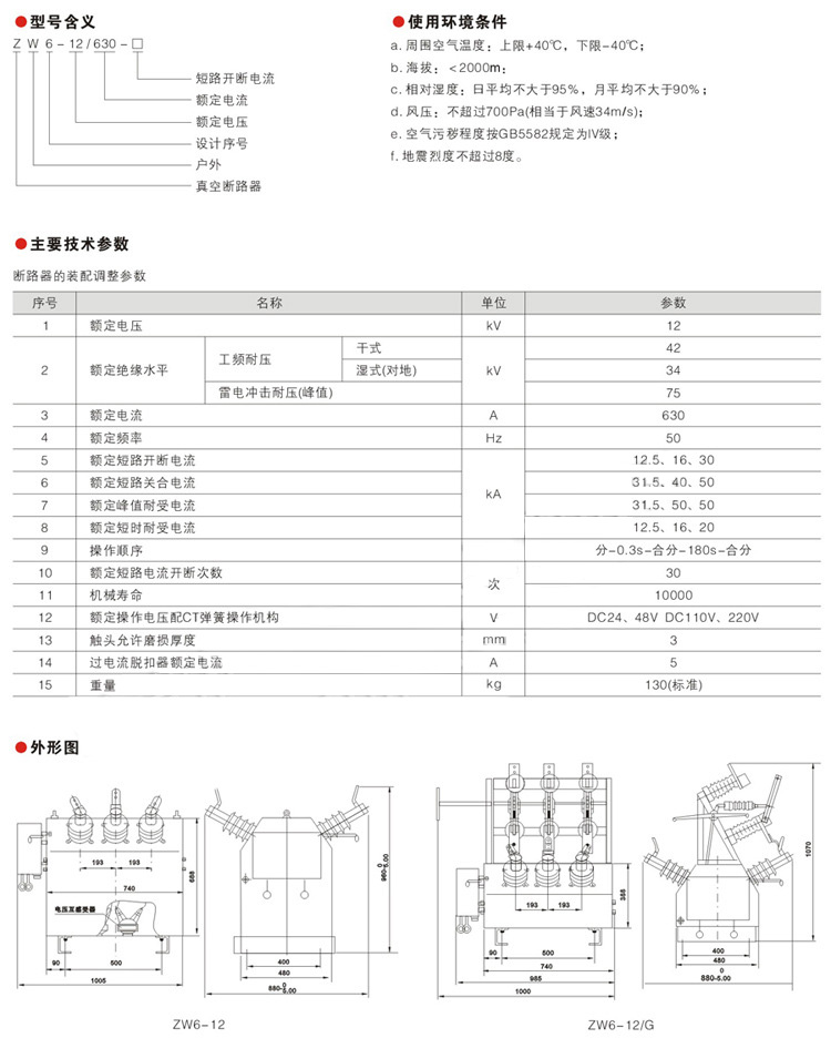
三、使用环境条件:
1、环境温度:上限+70℃,下限-40℃;
2、海拔高度不超过3000m;
3、风速:≤40m/s;
5、覆冰厚度:小于20mm;
4、 污秽等级:Ⅲ级;
5、地震烈度:不超过8度;
6、无经常性剧烈震动的场所,没有易燃物质、爆炸危险和化学腐蚀的场所。
2、海拔高度:≤2000m;
3、风压:≤700pa(相当于风速34/m/s);
4、地震烈度:不大于8度。
四、技术参数
|
项目 |
单位 |
参数 |
|
额定电压 |
KV |
12 |
|
额定电流 |
A |
630/1250 |
|
工频耐受电压 |
kV |
42/48 |
|
雷电冲击电压(峰值) |
kV |
75/85 |
|
额定短路开断电流 |
KA |
12.5 16 20 /20 25 31.5 |
|
额定短路关合电流(峰值) |
KA |
31.5 40 50 / 50 63 80 |
|
额定短时耐受电流 |
KA |
12.5 16 20 / 20 25 31.5 |
|
额定峰值耐受电流 |
KA |
31.5 40 50 /50 63 80 |
|
额定短路电流开断次数 |
次 |
30 |
|
机构寿命 |
次 |
10000 |

推荐资讯 / Recommended News
- 2022-08-24 持久浅谈真空断路器的理伦
- 2022-08-24 持久浅淡真空断路器
- 2022-08-24 智能真空断路器的技术问题解答
- 2022-08-24 ZW32真空断路器核心作用
- 2022-08-24 真空断路器比较难处理的问题
- 2022-08-24 高压真空断路器的维护安装
- 2022-07-23 真空断路器寿命是哪些因素影响的
- 2022-07-23 真空断路器跳闸次数多有没有影响
- 2022-07-23 真空断路器试验过程中的事项
- 2022-07-23 真空断路器原则和功能的研究范围
乐清市持久电气有限公司
收藏本站
联系持久







