广州百花丛bhc论坛杭州百花坊妃子阁 ,51龙凤茶楼论坛合肥,千花网坊论坛上海,广州浦典桑拿品茶论坛

乐清市持久电气有限公司乐清市持久电气有限公司

收藏本站收藏本站 联系持久联系持久

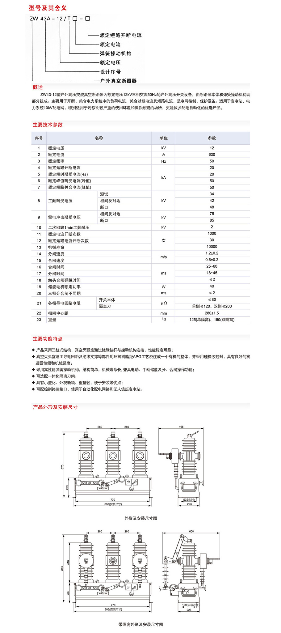
ZW43-12真空断路器(带隔离刀)

ZW43-12真空断路器(带隔离刀)

ZW43-12真空断路器(带隔离刀)

联系持久电气
销售热线:
18969796318

电话:0577-61712991

传真:0577-61712992

邮箱:2865684206@qq.com

地址:浙江省乐清市柳市镇杨宅工业区

联系持久Contact

0577-61712991 / 189-6979-6318

Yueqing Chijiu Electric Co.,Ltd.乐清市持久电气有限公司

扫描查看手机网站
扫描关注我们