广州百花丛bhc论坛杭州百花坊妃子阁 ,51龙凤茶楼论坛合肥,千花网坊论坛上海,广州浦典桑拿品茶论坛

乐清市持久电气有限公司乐清市持久电气有限公司

收藏本站收藏本站 联系持久联系持久

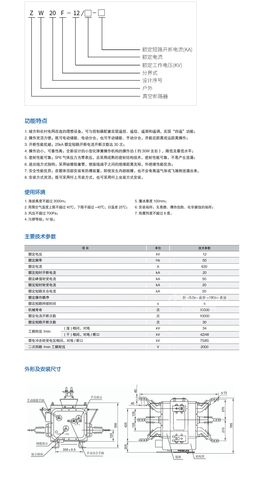
ZW20-12真空断路器(手动)

ZW20-12真空断路器(手动)

ZW20-12真空断路器(手动)

zw20-12户外高压真空断路器工作原,zw20-12 持久电气户外真空断路器,zw20-12柱上真空开关,zw20-12柱上真空断路器,zw20-12 真空断路器工作原,zw20-12真空断路器厂家供应商,。这是 zw20-12户外高压真空断路器工作原理 的详细页面。 zw20-12户外高压真空断路器工作原理 ZW20是属于可充SF6气体的真空断路器和功能上的区别。ZW20可以称为ZW20看门狗。说到看门狗,很明显就是这个ZW20开关和智能控制器配合组成的一套智能开关系统。 就如一个忠诚
联系持久电气
销售热线:
18969796318

电话:0577-61712991

传真:0577-61712992

邮箱:2865684206@qq.com

地址:浙江省乐清市柳市镇杨宅工业区

联系持久Contact

0577-61712991 / 189-6979-6318

Yueqing Chijiu Electric Co.,Ltd.乐清市持久电气有限公司

扫描查看手机网站
扫描关注我们