广州百花丛bhc论坛杭州百花坊妃子阁 ,51龙凤茶楼论坛合肥,千花网坊论坛上海,广州浦典桑拿品茶论坛

乐清市持久电气有限公司乐清市持久电气有限公司

收藏本站收藏本站 联系持久联系持久

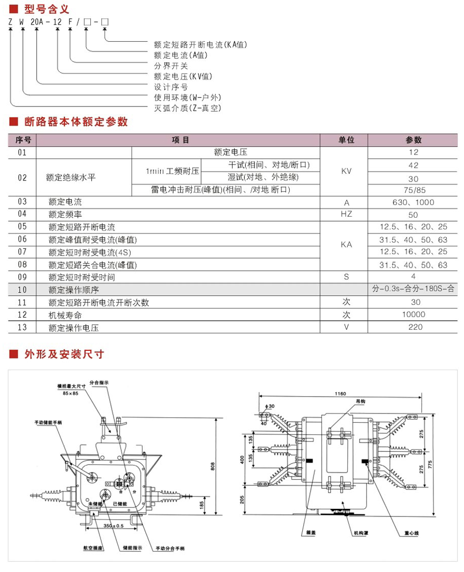
ZW20-12F真空断路器(带看门狗PT)

ZW20-12F真空断路器(带看门狗PT)

ZW20-12F真空断路器(带看门狗PT)

概述ZW20系列高压真空开关,10KV架空配电线路T接支线路或末端用户内部发生故障时,因其进线开关?;ざ魇毕抻氡涞缯境鱿呖乇;な毕夼浜衔薹ê侠碚ㄊ?,将会造成变电站出线开关跳闸。如果故障性质是*性的,变电站重合将不成功,则一个中压用户界内的局部事故将使整条10KV配电线路停电。
联系持久电气
销售热线:
18969796318

电话:0577-61712991

传真:0577-61712992

邮箱:2865684206@qq.com

地址:浙江省乐清市柳市镇杨宅工业区

联系持久Contact

0577-61712991 / 189-6979-6318

Yueqing Chijiu Electric Co.,Ltd.乐清市持久电气有限公司

扫描查看手机网站
扫描关注我们